同城附近叫小妹电话_全国51茶楼信息网_全国空降快餐联系方式_全国空降服务二维码

您好!欢迎来到江苏江铭机电有限公司官网!

0513-55885869

—— 新闻中心 ——

NEWS CENTER

咨询热线
0513-55885869
您的位置:首页 > 新闻中心 > 公司专题

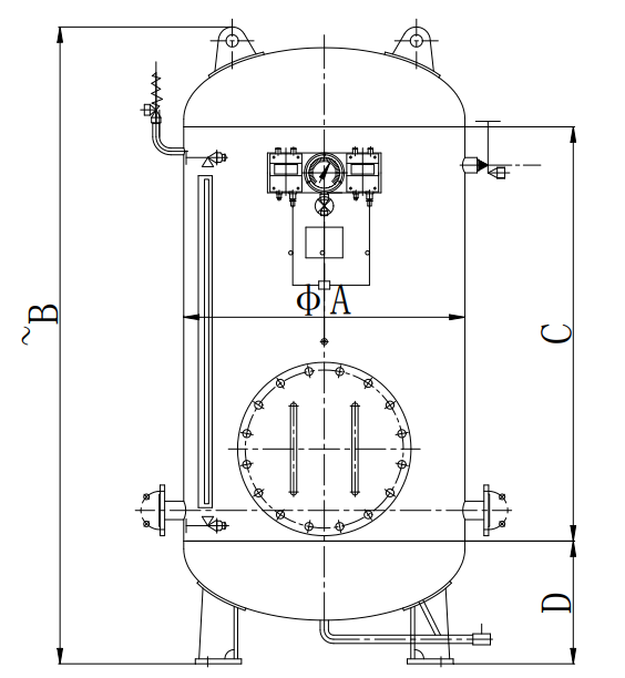
船用压力水柜工作原理

发布时间:2022-07-15人气:902

船用压力水柜可作为船舶淡水柜或卫生水柜,为船舶提供清洁用水或生活用水。首先启动供水泵向水柜内注水,当液位计玻璃管上能看见水位后停止泵水,然后启动空气压缩机,通过充气阀向柜内充气。当压力表显示达到0.25Mpa时停止供气,并重新启动水泵向柜内供水。当压力表显示0.4Mpa时,水泵电动机断电,水泵停止工作。当柜内压力随着用水而使压力降至0.25Mpa时,压力控制器重新工作,使电机启动,水泵恢复供水,实现水柜的自动控制。

微信图片_20220714181002.png


在线客服
服务热线

服务热线

0513-55885869

微信咨询
江苏江铭机电有限公司
返回顶部
主站蜘蛛池模板: 蓬莱市| 余江县| 荣成市| 新民市| 中方县| 扬中市| 台山市| 太仆寺旗| 酒泉市| 习水县| 青海省| 噶尔县| 洛川县| 吉隆县| 左贡县| 仪陇县| 年辖:市辖区| 加查县| 澄迈县| 定州市| 治多县| 胶州市| 阿合奇县| 仙桃市| 汪清县| 钟祥市| 昌吉市| 嵩明县| 皮山县| 积石山| 岗巴县| 丰都县| 麻栗坡县| 枣阳市| 蓬莱市| 墨竹工卡县| 察雅县| 集安市| 本溪| 苏尼特左旗| 凉山|